
max
ηm dx
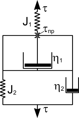
where τ
– maximum tension; η – plastic viscidity of the
max
m
system with the maximum destructive structure; dV/dx – gradient
of speed of deformation during flow.
41






a
b
τmax
τmax
Fig. 2.1. Change of viscidly-plastic properties of concrete mixture
depending on tensions:
a – change of structural viscosity; b – change of speed of deformation of
flow (αo and αm – corners, which characterizing coefficients of viscosity of
the system);
τmax – maximum tension; ηo ηm – plastic viscosity of the system accordingly with
nondestructive and destructive structure
42







The conduct of concrete mixtures at vibration approximately can be
described by Newton formula :
dV
τ = η
Describe what you're looking for in as much detail as you'd like.
Our AI reads your request and finds the best matching books for you.
Popular searches:
Join 2.9 million readers and get unlimited free ebooks