
Hysteresis:

Advantages of the application:
Use of 0-10 V analog inputs.
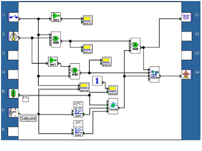
Logic diagram:

Note 1: When the module is on, select FBD DISPLAY in the main menu of the module to view the active text blocks on the screen. In a simulation, it is possible to call up the front panel by selecting 3 Front Panel in the Window menu.
Note 2: It will probably be necessary to wire additional gain functions after inputs IB and IC.
Click on the link below to access the application:
Room temperature regulation
Describe what you're looking for in as much detail as you'd like.
Our AI reads your request and finds the best matching books for you.
Popular searches:
Join 2.9 million readers and get unlimited free ebooks