
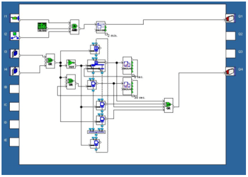
Logic diagram Level 2 (SFC/Grafcet) :

Click on the link below to access the application:
Indoor/Outdoor lightning of a home - level 2 (SFC-Grafcet)
Describe what you're looking for in as much detail as you'd like.
Our AI reads your request and finds the best matching books for you.
Popular searches:
Join 2.9 million readers and get unlimited free ebooks