
2 Applications in FBD language
Specifications:
The owner of a greenhouse would like to acquire an installation to manage the opening and closing of the ventilation window panes located on the greenhouse roof.
The greenhouse has two window panes to provide ventilation. The opening of these window panes is controlled by a motor and 2 sensors that indicate whether the window panes are open or closed:

During the day, the window panes open to ventilate the structure from 12:00 to 15:00, at the time of day when, in principle, the temperature is the highest. However, if the temperature is less than 10°C, the window panes do not open, or when they are already open, they close.
In addition, the window panes open during the day when the temperature reaches 25°C. If the temperature falls below 25 °C, the window panes must close again.
Finally, at night, the window panes remain closed regardless of the temperature.
Summary diagram:

Description of the inputs/ouputs:

The temperature is supplied by a sensor with output voltage of 0 to 10 V.
Model Required:
Zelio Logic with clock and analog inputs.
SR2 B121 BD (24 V DC) or SR2 B121 JD (12 V DC) for example.
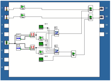
Program Description:
3 time ranges are used:
-Range 1: Night, from 21:00 to 07:00 (B13)
-Range 2: Daytime, from 7:00 a.m. to 12:00 p.m. and from 3:00 to 9:00 p.m. (B12)
-Range 3: Noon, from 12:00 to 15:00 (B11)
Advantages of the application:
The programmable logic function is used simplifying the diagram
Logic diagram:


Click on the link below to access the application:
Greenhouse automatic ventilation pane control (FBD)
Describe what you're looking for in as much detail as you'd like.
Our AI reads your request and finds the best matching books for you.
Popular searches:
Join 2.9 million readers and get unlimited free ebooks